| Гидронасос | К150-125-250 | |
| Номин. Подача | 200 | |
| Номин. Напор | 20 | м |
| Рабочая зона подача | 120…240 | м³/ч |
| напор | 18…23 | м |
| Кавит. Запас | 4,2 | м |
| Электродвигатель** | АИР 160M(S)4 | |
| 18.5 (15) | кВт | |
| 1500 | об/мин | |
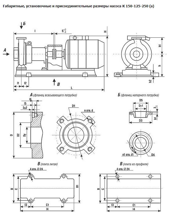
| Габаритные размеры агрегата*L/B/H - | 1305/475/565 | мм |
| Диаметр патрубков*** | ||
| вход/выход | 150/125 | мм |
| Масса насоса* | 140 | кг |
| Масса агрегата | 435 | кг |
Принцип работы консольного насоса К150-125-250 СД
Насос перед запуском заполняют водой. За счёт пониженного давления в корпусе, около лопастного колеса вместо выходящей из корпуса воды по всасывающей трубе атмосферным давлением нагнетается новая вода. Выходит из корпуса вода в напорную трубу при вращении рабочего колеса.
Внимание!
- Не перекачивайте горючие и легковоспламеняющиеся жидкости
- Не устанавливайте в жилых зданиях
- Не используйте в пожароопасных и взрывоопасных производствах
- Не допускайте чрезмерного увеличения нагрузки двигателя
У всех представленных ниже насосов типа К в галерее "Гидронасосы консольные К характеристики" на увеличивающихся по клику изображениях видны основные технические параметры, схемы габаритных и присоединительных размеров.
Быстрый переход к нужной модели по характеристикеНасосы тип К выполнены с опорой на корпусе и на стойке; насос и электродвигатель смонтированы на общей раме; привод от электродвигателя соединён через упругую муфту .
- одинарное торцовое уплотнение имеют: К50-32-125, К65-50-125, К65-50-160, К80-65-160,
- одинарное торцовое уплотнение и уменьшенный диаметр для работы в средней части поля Q-Н К50-32-125А, К65-50-125А, К65-50-160А, К80-65-160А,
- двойное сальниковое уплотнение: К80-50-200СД, К100-80-160 СД, К100-65-200 СД, К100-65-250 СД, К150-125-250 СД, К150-125-315 СД, К200-150-315 СД, К200-150-400 СД,
- двойное сальниковое уплотнение и уменьшенный диаметр для работы в средней части поля Q-Н К80-50-200А СД, К100-80-160А СД, К100-65-200А СД, К100-65-250А СД, К150-125-250А СД, К150-125-315А СД, К200-150-315А СД, К200-150-400А СД
Применение насоса К
Для перекачивания в стационарных условиях чистой воды и некоторых других жидкостей в системах водоснабжения, пожаротушения и теплоснабжения.
Характеристка pH от 6 до 9 (исключение - морская вода), допускаются твердые включения размером до 0,2 мм с объемной концентрацией менее 0,1%.
Купить консольный насос К150-125-250 СД в Челябинске
Документы и товар можно забрать на Автодорожной, 13: офис и склад расположены на расстоянии 20 м.
Закажите отправку груза через ТК по России и СНГ - до транспортной довезём бесплатно!
Пожалуйста, уточняйте цену у консультанта онлайн или по тел. +7 (351) 247-65-68 и +7 (351) 793-77-88. Продукция в наличии. Звоните!
Доставим и отправим Ваш груз одной из транспортных компаний г. Челябинска в Уфу, Москву, Екатеринбург, Казань, Санкт-Петербург, Пермь, Тюмень, Воронеж, Саратов, Иркутск, Новосибирск... В Казахстан, в города и населённые пункты стран СНГ.

ООО «Деловые линии», GTD (ООО ТК «Кашалот»),Транспортная компания «Луч», Транспортная компания «Энергия», Транспортная компания «Экспресс-Авто».
- Отгрузка другими ТК - по согласованию
Местонахождение склада: ул. Автодорожная, д. 13, г. Челябинск
Телефон: +7 (351) 247-65-68, 793-77-88
Консультация по телефону ежедневно с 09:00 до 20:00.
Прием онлайн-заказов - круглосуточно. Заказы, оформленные в субботу и воскресенье, могут быть отгружены не ранее понедельника следующей недели.
Акция Бесплатная доставка
Бесплатно осуществим доставку Вашего груза до транспортного предприятия-перевозчика в г. Челябинске.
Рассчитать стоимоcть доставки
Для примерного расчёта стоимости доставки можно использовать калькулятор стоимости доставки транспортной компании "Деловые Линии".
Типы товара:
- Гидравлика - разделы на Главной странице
- Фильтры - выбор типа
- Смазочное оборудование - категории
- Пневматика - категории и разделы
ГИДРОМАШ - ЭТО НАДЁЖНОСТЬ, КАЧЕСТВО, ЗАВОДСКИЕ ГАРАНТИИ ПРОДУКЦИИ!