| Параметр гидрозамка | значение параметра |
| Диаметр, Ду | 32 |
| Давление, Мпа | 32 |
| Номинальный расход, л/мин | 250 |
| Масса, кг | 8,4 |
Пожалуйста, уточняйте цену у консультанта он-лайн или по тел. +7-351-247-65-68 и +7-351-793-77-88. Продукция в наличии. Звоните!
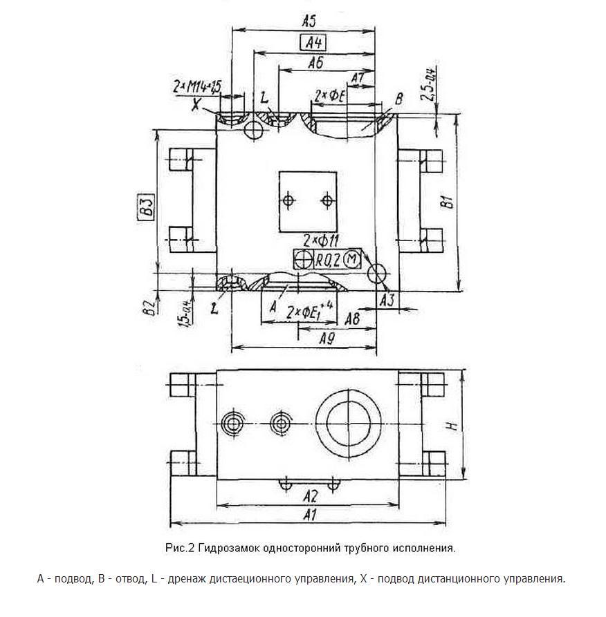
Гидрозамок М-1КУ 32/320 применяется в гидросистеме для свободного пропускания рабочей жидкости (масла) в одном направлении. Проход масла в другом направлении возможен только после вынужденного открывания запорного элемента.
Доставим и отправим Ваш груз одной из транспортных компаний г. Челябинска в Уфу, Москву, Екатеринбург, Казань, Санкт-Петербург, Пермь, Тюмень, Воронеж, Саратов, Иркутск, Новосибирск... В Казахстан, в города и населённые пункты стран СНГ.

ООО «Деловые линии», GTD (ООО ТК «Кашалот»),Транспортная компания «Луч», Транспортная компания «Энергия», Транспортная компания «Экспресс-Авто».
- Отгрузка другими ТК - по согласованию
Местонахождение склада: ул. Автодорожная, д. 13, г. Челябинск
Телефон: +7 (351) 247-65-68, 793-77-88
Консультация по телефону ежедневно с 09:00 до 20:00.
Прием онлайн-заказов - круглосуточно. Заказы, оформленные в субботу и воскресенье, могут быть отгружены не ранее понедельника следующей недели.
Акция Бесплатная доставка
Бесплатно осуществим доставку Вашего груза до транспортного предприятия-перевозчика в г. Челябинске.
Рассчитать стоимоcть доставки
Для примерного расчёта стоимости доставки можно использовать калькулятор стоимости доставки транспортной компании "Деловые Линии".
Типы товара:
- Гидравлика - разделы на Главной странице
- Фильтры - выбор типа
- Смазочное оборудование - категории
- Пневматика - категории и разделы
ГИДРОМАШ - ЭТО НАДЁЖНОСТЬ, КАЧЕСТВО, ЗАВОДСКИЕ ГАРАНТИИ ПРОДУКЦИИ!