- Пропорциональные гидрораспределители Rexroth 4WRKE 25 W6-350L-33/6
- непрямого действия
- с электрической позиционной обратной связью
- Управление направлением и величиной расхода
- Управляют величиной и направлением потока
Пропорциональный клапан с сервоприводом серии 4WRKE. Пилотное управление, со встроенной электроникой (OBE) и электрической обратной связью.
- Серия 1X
- Максимальное давление до 350 бар
- Пилотное управление с помощью 3-линейного пропорционального распределителя
- Типоразмеры 10-25
- Максимальный расход 870 л / мин
- Пружинное центрирование основного золотника
- Определение позиции золотника с помощью индуктивного датчика перемещения
- Номинальный расход - 220; 350 л/мин
- Рабочее напряжение - 24 В
- Переходная функция 0 до 90 % - 50 мс
- стыковое присоединение
- двухступенчатые
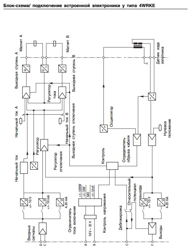
Пропорциональные распределители Rexroth 4WRKE 25 W6-350L-33/6, принцип действия
Основной золотник имеет позиционное управление, при этом его положение не зависит от сил потока даже при бельших расходах.
Основные детали:
- управляющий распределитель
- корпус
- основной золотник
- крышки
- центрирующая пружина
- индуктивный датчик хода,
- редукционный клапан
Принцип действия пропорциональных распределителей Rexroth 4WRKE 25 W6-350L-33/6EG24ETK31/A1D3M подробно изложено здесь.
Импортозамещение гидрораспределителей
Используя технические характеристики, схемы, описание устройства и принцип работы нижеперечисленных гидрораспределителей, можно осуществить подбор и заменить данные гидравлические распределители на распределители отчественного производства.
Rexroth:
- Rexroth 4WE 6 E62/EG24N9K4
- Rexroth 4WE 6 HA62/EG24N9K4
- Rexroth 4WE 10 J33/CG24N9K4
- Rexroth 4WE 6 M62/EG24N9K4
- Пропорциональный Rexroth 4WRZE 25 W8-325-07/6
- Пропорциональный Rexroth 4WRKE 25 W6-350L-33/6
- Пропорциональный Rexroth 4 WRPH 6 C4 B25P-20/G24Z4/M
- Пропорциональный Rexroth 4WRZE 25 W8-325-71/6
- Пропорциональный Rexroth 4WREE 10 W1-50-23/G24K31/A1V
Atos:
- ATOS DHI-0751/2WP 23
- ATOS DPHI-3713/D 55
- ATOS DH-0631/2/A DC 10
- ATOS DHE-0713 DC10
- ATOS DKE-1713 DC 10
- ATOS DKE-1711 DC 10
Parker:
- Parker D1DW-30-B-6V-JP-70
- Parker D1VW-001-C-N-Y-W-91
- Parker D1VW-004-C-N-Y-W-91
- Parker D1VW-004-C-N-J-W-91
- Parker D81VW 030 B 1 N J W 91 X729
- Parker D3W-0-0-9-C-N-J-W-42
Caproni RH06(RH10)...1-...F... (с электромагнитным управлением):
- RH06...1-...F... (с электромагнитным управлением, Ду=6 мм)
- RH10...1-...F... (с электромагнитным управлением, Ду=10 мм)
Заказать пропорциональный гидрораспределитель Rexroth в компании ГидроМаш в Челябинске по тел +7 351 247-65-68, +7 351 793-77-88 или по E-mail:2476568@mail.ru
Доставим и отправим Ваш груз одной из транспортных компаний г. Челябинска в Уфу, Москву, Екатеринбург, Казань, Санкт-Петербург, Пермь, Тюмень, Воронеж, Саратов, Иркутск, Новосибирск... В Казахстан, в города и населённые пункты стран СНГ.

ООО «Деловые линии», GTD (ООО ТК «Кашалот»),Транспортная компания «Луч», Транспортная компания «Энергия», Транспортная компания «Экспресс-Авто».
- Отгрузка другими ТК - по согласованию
Местонахождение склада: ул. Автодорожная, д. 13, г. Челябинск
Телефон: +7 (351) 247-65-68, 793-77-88
Консультация по телефону ежедневно с 09:00 до 20:00.
Прием онлайн-заказов - круглосуточно. Заказы, оформленные в субботу и воскресенье, могут быть отгружены не ранее понедельника следующей недели.
Акция Бесплатная доставка
Бесплатно осуществим доставку Вашего груза до транспортного предприятия-перевозчика в г. Челябинске.
Рассчитать стоимоcть доставки
Для примерного расчёта стоимости доставки можно использовать калькулятор стоимости доставки транспортной компании "Деловые Линии".
Типы товара:
- Гидравлика - разделы на Главной странице
- Фильтры - выбор типа
- Смазочное оборудование - категории
- Пневматика - категории и разделы
ГИДРОМАШ - ЭТО НАДЁЖНОСТЬ, КАЧЕСТВО, ЗАВОДСКИЕ ГАРАНТИИ ПРОДУКЦИИ!