4/2- и 4/3-ходовые пропорциональные распределители прямого действия с электрической обратной связью по положению, со встроенными электронными устройствами (OBE) или без них.
- Пропорциональные pаспределители
- Прямого действия
- с электрической обратной связью
- Типоразмер 6 и 10
- Расположение монтажных отверстий в соответствии с ISO 4401
- Регулируют направление и величину объемного расхода
- Управляются пропорциональными электромагнитами
- Золотник центрируется пружинами
- Возможны различные перекрытия золотника
- С интегрированными электронными устройствами (OBE) для типа 4WREE
Пропорциональные распределители прямого действия с электрической обратной связью Rexroth 4WREE 10 W1-50-23/G24K31/A1V
Клапан типа 4WRE(E) – это пропорциональный распределитель прямого действия с электрической обратной связью для установки на плите.
Управление осуществляется с помощью пропорционально регулируемых электромагнитов. Управление электромагнитами осуществляется с помощью внешних или встроенных электронных устройств (OBE).
Тип 4WREE …-2X/…
Распределитель с 2 положениями включения (тип 4WREE…A…)
- Типоразмер 10
- Серия изделия 2X
- Максимальное рабочее давление 315 бар
- Максимальный расход 180 л/мин
- Для установки на плите
- Расположение монтажных отверстий по ISO 4401
- Регулирование направления и величины объемного расхода
- С электрической обратной связью по положению
- Со встроенными электронными устройствами (OBE)
- Центрированный пружинами управляющий золотник
Принцип действия распределителя с 2 и с тремя положениями включения схож.
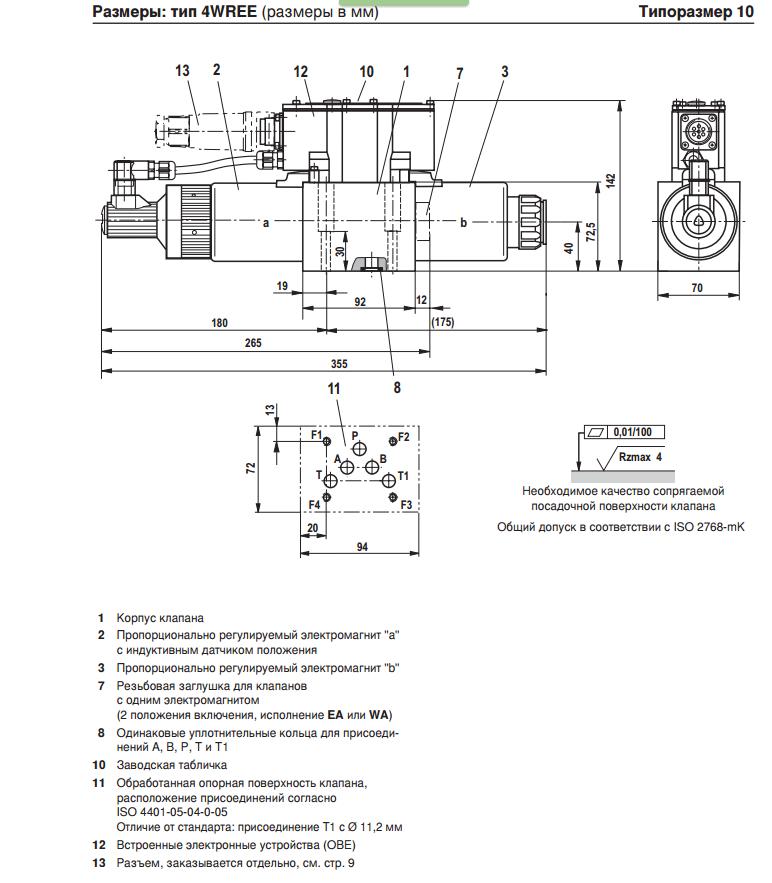
Отличие состоит в том, что распределители с 2 положениями включения оборудованы только одним электромагнитом "a" (7). На месте 2-го пропорционально регулируемого электромагнита находится резьбовая заглушка (10).
4/2- и 4/3-ходовые пропорциональные распределители устанавливаются на плите.
Управление осуществляется с помощью пропорционально регулируемых магнитов с центрирующей резьбой и съемной катушкой. Управление осуществляется электромагнитами с центрирующей резьбой и съемной катушкой, которые регулируются пропорционально с помощью встроенных электронных устройств.
Строение и принцип работы
Корпус (1) с поверхностью подключения
Управляющий золотник (2) с пружинами сжатия (3 и 4) и тарелками пружин (5 и 6)
Электромагниты (7 и 8) с центрирующей резьбой
Датчик положения (9)
строенные электронные устройства (13)
Доступное через Pg7 устройство электрической регулировки нуля (12)
Функции:
– Удерживание управляющего золотника (2) в среднем положении под действием пружин сжатия (3 и 4) между тарелками (5 и 6) при отключенных электромагнитах (7 и 8)
– Непосредственное приведение в действие управляющего золотника (2) путем управления одним из пропорционально регулируемых электромагнитов, например магнитом "b" (8)
Перемещение управляющего золотника (2) влево пропорционально электрическому входному сигналу
Открытие каналов из P в А и из В в T с помощью дросселирующих поперечных разрезов с прогрессивной характеристикой пропускной способности
Отключение электромагнита (8)
Возврат управляющего золотника (2) в среднее положение с помощью пружины сжатия (3) В отключенном состоянии управляющий золотник (2) удерживается возвратными пружинами электромагнитов в механическом среднем положении.
Для управляющего золотника с условным обозначением V оно не соответствует гидравлическому среднему положению! При замыкании электрического контура управления распределителя управляющий золотник перемещается в гидравлическое среднее положение.
Принцип действия гидрораспределителей Rexroth
Основные части распределителей корпус (1), один или два магнита (2), золотник (3), а также одна или две возвратные пружины (4).Принцип действия гидрораспределителя Rexroth подробно изложено здесь.
Импортозамещение гидрораспределителей
Используя технические характеристики, схемы, описание устройства и принцип работы нижеперечисленных гидрораспределителей, можно осуществить подбор и заменить данные гидравлические распределители на распределители отчественного производства.
Rexroth:
- Rexroth 4WE 6 E62/EG24N9K4
- Rexroth 4WE 6 HA62/EG24N9K4
- Rexroth 4WE 10 J33/CG24N9K4
- Rexroth 4WE 6 M62/EG24N9K4
- Пропорциональный Rexroth 4WRZE 25 W8-325-07/6
- Пропорциональный Rexroth 4WRKE 25 W6-350L-33/6
- Пропорциональный Rexroth 4 WRPH 6 C4 B25P-20/G24Z4/M
- Пропорциональный Rexroth 4WRZE 25 W8-325-71/6
- Пропорциональный Rexroth 4WREE 10 W1-50-23/G24K31/A1V
Atos:
- ATOS DHI-0751/2WP 23
- ATOS DPHI-3713/D 55
- ATOS DH-0631/2/A DC 10
- ATOS DHE-0713 DC10
- ATOS DKE-1713 DC 10
- ATOS DKE-1711 DC 10
Parker:
- Parker D1DW-30-B-6V-JP-70
- Parker D1VW-001-C-N-Y-W-91
- Parker D1VW-004-C-N-Y-W-91
- Parker D1VW-004-C-N-J-W-91
- Parker D81VW 030 B 1 N J W 91 X729
- Parker D3W-0-0-9-C-N-J-W-42
Caproni RH06(RH10)...1-...F... (с электромагнитным управлением):
- RH06...1-...F... (с электромагнитным управлением, Ду=6 мм)
- RH10...1-...F... (с электромагнитным управлением, Ду=10 мм)
Заказать пропорциональный гидрораспределитель Rexroth в компании ГидроМаш в Челябинске по тел +7 351 247-65-68, +7 351 793-77-88 или по E-mail:2476568@mail.ru
Доставим и отправим Ваш груз одной из транспортных компаний г. Челябинска в Уфу, Москву, Екатеринбург, Казань, Санкт-Петербург, Пермь, Тюмень, Воронеж, Саратов, Иркутск, Новосибирск... В Казахстан, в города и населённые пункты стран СНГ.

ООО «Деловые линии», GTD (ООО ТК «Кашалот»),Транспортная компания «Луч», Транспортная компания «Энергия», Транспортная компания «Экспресс-Авто».
- Отгрузка другими ТК - по согласованию
Местонахождение склада: ул. Автодорожная, д. 13, г. Челябинск
Телефон: +7 (351) 247-65-68, 793-77-88
Консультация по телефону ежедневно с 09:00 до 20:00.
Прием онлайн-заказов - круглосуточно. Заказы, оформленные в субботу и воскресенье, могут быть отгружены не ранее понедельника следующей недели.
Акция Бесплатная доставка
Бесплатно осуществим доставку Вашего груза до транспортного предприятия-перевозчика в г. Челябинске.
Рассчитать стоимоcть доставки
Для примерного расчёта стоимости доставки можно использовать калькулятор стоимости доставки транспортной компании "Деловые Линии".
Типы товара:
- Гидравлика - разделы на Главной странице
- Фильтры - выбор типа
- Смазочное оборудование - категории
- Пневматика - категории и разделы
ГИДРОМАШ - ЭТО НАДЁЖНОСТЬ, КАЧЕСТВО, ЗАВОДСКИЕ ГАРАНТИИ ПРОДУКЦИИ!