- Типоразмер: 6
- Серия: 2X
- Max рабочее давление: 315 бар
- Ном. расход: 2…40 л/мин.
- Max объемный расход: 40 л/мин
Регулирующие распределители, прямого действия, с электрической обратной связью
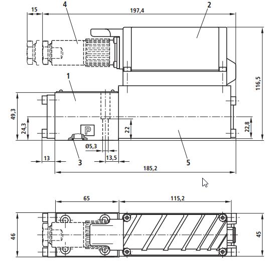
Типоразмер 6 и 10
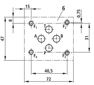
Расположение монтажных отверстий в соответствии с DIN 24340 форма A и ISO 4401
Регулируют направление и величину объемного расхода
Используются для регулирования положения, скорости и давления
Управляются пропорциональными электромагнитами
Положение золотника определяется с помощью индуктивного датчика перемещения
С интегрированными электронными устройствами (OBE) для типа 4WRPEH
Характеристики даны с перегибом и без него
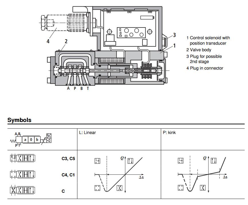
Принцип действия гидрораспределителей Rexroth 4WRPH 6 C4 B26P-20/G24Z4/M
Основные части распределителей корпус (1), один или два магнита (2), золотник (3), а также одна или две возвратные пружины (4).Импортозамещение гидрораспределителей
Используя технические характеристики, схемы, описание устройства и принцип работы нижеперечисленных гидрораспределителей, можно осуществить подбор и заменить данные гидравлические распределители на распределители отчественного производства.
Rexroth:
- Rexroth 4WE 6 E62/EG24N9K4
- Rexroth 4WE 6 HA62/EG24N9K4
- Rexroth 4WE 10 J33/CG24N9K4
- Rexroth 4WE 6 M62/EG24N9K4
- Пропорциональный Rexroth 4WRZE 25 W8-325-07/6
- Пропорциональный Rexroth 4WRKE 25 W6-350L-33/6
- Пропорциональный Rexroth 4 WRPH 6 C4 B25P-20/G24Z4/M
- Пропорциональный Rexroth 4WRZE 25 W8-325-71/6
- Пропорциональный Rexroth 4WREE 10 W1-50-23/G24K31/A1V
Atos:
- ATOS DHI-0751/2WP 23
- ATOS DPHI-3713/D 55
- ATOS DH-0631/2/A DC 10
- ATOS DHE-0713 DC10
- ATOS DKE-1713 DC 10
- ATOS DKE-1711 DC 10
Parker:
- Parker D1DW-30-B-6V-JP-70
- Parker D1VW-001-C-N-Y-W-91
- Parker D1VW-004-C-N-Y-W-91
- Parker D1VW-004-C-N-J-W-91
- Parker D81VW 030 B 1 N J W 91 X729
- Parker D3W-0-0-9-C-N-J-W-42
Caproni RH06(RH10)...1-...F... (с электромагнитным управлением):
- RH06...1-...F... (с электромагнитным управлением, Ду=6 мм)
- RH10...1-...F... (с электромагнитным управлением, Ду=10 мм)
Заказать пропорциональный гидрораспределитель Rexroth в компании ГидроМаш в Челябинске по тел +7 351 247-65-68, +7 351 793-77-88 или по E-mail:2476568@mail.ru
Доставим и отправим Ваш груз одной из транспортных компаний г. Челябинска в Уфу, Москву, Екатеринбург, Казань, Санкт-Петербург, Пермь, Тюмень, Воронеж, Саратов, Иркутск, Новосибирск... В Казахстан, в города и населённые пункты стран СНГ.

ООО «Деловые линии», GTD (ООО ТК «Кашалот»),Транспортная компания «Луч», Транспортная компания «Энергия», Транспортная компания «Экспресс-Авто».
- Отгрузка другими ТК - по согласованию
Местонахождение склада: ул. Автодорожная, д. 13, г. Челябинск
Телефон: +7 (351) 247-65-68, 793-77-88
Консультация по телефону ежедневно с 09:00 до 20:00.
Прием онлайн-заказов - круглосуточно. Заказы, оформленные в субботу и воскресенье, могут быть отгружены не ранее понедельника следующей недели.
Акция Бесплатная доставка
Бесплатно осуществим доставку Вашего груза до транспортного предприятия-перевозчика в г. Челябинске.
Рассчитать стоимоcть доставки
Для примерного расчёта стоимости доставки можно использовать калькулятор стоимости доставки транспортной компании "Деловые Линии".
Типы товара:
- Гидравлика - разделы на Главной странице
- Фильтры - выбор типа
- Смазочное оборудование - категории
- Пневматика - категории и разделы
ГИДРОМАШ - ЭТО НАДЁЖНОСТЬ, КАЧЕСТВО, ЗАВОДСКИЕ ГАРАНТИИ ПРОДУКЦИИ!