Насос радиально-поршневой нерегулируемый НР-Ф 2,5/50М
|
Наименование |
V, см3 |
КПД |
Q, л/мин |
P, Мпа |
Вес, кг |
|
Насос НР-Ф 2,5/50 |
2,5 |
0,75 |
3,5 |
50 |
28 |
|
Насос НР-Ф 4/50 |
4 |
0,75 |
5,6 |
50 |
32 |
|
Насос НР-Ф 6,3/50 |
6,3 |
0,75 |
8,8 |
50 |
48 |
Технические параметры линейки насосов радиально-поршневых НР-Ф
- Рабочий объем: от 2,5 до 25 см³
- Рабочее давление: до 50 МПа (500 кгс/см²)
- Типоразмерный ряд: НР-Ф 2,5/50М, НР-Ф 4/50М, НР-Ф 6,3/50М, НР-Ф 16/50М, НР-Ф 25/50М
- Привод: от эксцентрикового вала
- Клапанное распределение РЖ
- Встроенный вспомогательный насос подпитки
- Фланцевое исполнение
- Монтаж горизонтальный и вертикальный
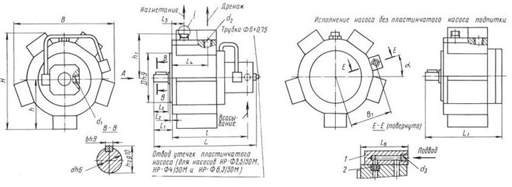
Конструкция
Основой для изготовления модельного ряда НР-Ф является модель НР-Ф 6,3/50М.
Механизм имеет унифицированные основные узлы и детали, что делает более простым обслуживание и ремонт.
Состав насосов НР-Ф
- Поршни, радиально расположенные
- Эксцентриковый вал
- Клапанный механизм распределения
- Вспомогательный насос подпитки
Могут эксплуатироваться в системах с max рабочим давлением до 50 МПа и частотой вращения вала до 3000 об/мин при t РЖ -40...+80°С.
Дополнительная информация:
- Насосы НР-Ф отличает надежность, долговечность, низкий уровнем шума.
- Востребованы в машиностроении, металлургии и сельском хозяйстве.
- Использование РЖ, рекомендованной производителем, гарантирует работоспособность насосов.
- Плановое ТО и ремонт продляет срок службы и работу без поломок.
Радиально-поршневой насос НР-Ф 2,5/50М со вспомогательным насосом подпитки применяют в гидросистемах разнообразных машин и оборудования, где необходима подача минерального масла под высоким давлением.
Модели НР-Ф серии поддерживают постоянным расход РЖ (рабочая жидкость) при постоянном направлении ее потока.
Пожалуйста, уточняйте цену на нерегулируемый радиально-поршневой насос НР-Ф 2,5/50М у консультанта онлайн или по тел. +7 (351) 247-65-68 и +7 (351) 793-77-88. Продукция в наличии. Звоните!
Доставим и отправим Ваш груз одной из транспортных компаний г. Челябинска в Уфу, Москву, Екатеринбург, Казань, Санкт-Петербург, Пермь, Тюмень, Воронеж, Саратов, Иркутск, Новосибирск... В Казахстан, в города и населённые пункты стран СНГ.

ООО «Деловые линии», GTD (ООО ТК «Кашалот»),Транспортная компания «Луч», Транспортная компания «Энергия», Транспортная компания «Экспресс-Авто».
- Отгрузка другими ТК - по согласованию
Местонахождение склада: ул. Автодорожная, д. 13, г. Челябинск
Телефон: +7 (351) 247-65-68, 793-77-88
Консультация по телефону ежедневно с 09:00 до 20:00.
Прием онлайн-заказов - круглосуточно. Заказы, оформленные в субботу и воскресенье, могут быть отгружены не ранее понедельника следующей недели.
Акция Бесплатная доставка
Бесплатно осуществим доставку Вашего груза до транспортного предприятия-перевозчика в г. Челябинске.
Рассчитать стоимоcть доставки
Для примерного расчёта стоимости доставки можно использовать калькулятор стоимости доставки транспортной компании "Деловые Линии".
Типы товара:
- Гидравлика - разделы на Главной странице
- Фильтры - выбор типа
- Смазочное оборудование - категории
- Пневматика - категории и разделы
ГИДРОМАШ - ЭТО НАДЁЖНОСТЬ, КАЧЕСТВО, ЗАВОДСКИЕ ГАРАНТИИ ПРОДУКЦИИ!